Bảng thông số kỹ thuật chi tiết của máy bơm Tsurumi KRS 2-89

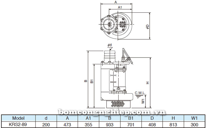
Bảng thông số chi tiết kích thước của máy bơm Tsurumi KRS 2-89

Biểu đồ lưu lượng cột áp của máy bơm Tsurumi KRS 2-89

Mô tả kỹ thuật :
-Sản phẩm : Bơm chìm hút bùn Tsurumi KRS2-89
-Công suất : 6Kw/380V
-Lưu lượng : 90 m3/h
-Cột áp : 10 m
-Đường kính họng xả : 200 mm
-Kiểu chất lỏng : Nước mưa, nước ngầm, nước bùn, nước lẫn cát, nước bùn đặc, bơm hố móng xây dựng, hầm mỏ…
-Nhiệt độ nước : 0 – 40˚C
-Cấu tạo bơm : Cánh hở đúc bằng sắt crôm, thân bơm bằng gang, lớp cách nhiệt E * B, cấp độ bảo về : IP 68
-Tốc độ vòng quay : 2900 vòng/ phút
THANH DAT Co.,Ltd phân phối máy bơm chìm nước thải, bơm bùn loãng, máy bơm nước Tsurumi nhập khẩu nguyên chiếc Nhật Bản Uy tín, chất lượng , giá cả cạnh tranh nhất trên thị trường.
Máy bơm Tsurumi KRS 2-89