Bảng thông số kỹ thuật chi tiết của máy bơm công nghiệp ly tâm trục ngang Ebara MD 65-125

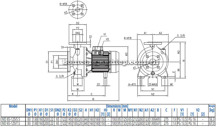
Bảng thông số chi tiết kích thước của máy bơm công nghiệp ly tâm trục ngang Ebara MD 65-125

Biểu đồ lưu lượng cột áp của máy bơm công nghiệp ly tâm trục ngang Ebara MD 65-125

Mô tả sản phẩm :
-Model : Ebara MD 50-125
-Lưu lượng Max : 66 m3 / giờ
-Cột áp Max : 24 mét
-Công suất Max : 4 Kw
-Nhiệt độ chất lỏng bơm tối đa : 90 ° C
-Áp lực làm việc tối đa : 10Bar
-Động cơ 2 cực, lớp cách điện F, lớp bảo vệ IP55
-Điện áp 1 pha : 230V ± 10%, 50Hz
-Điện áp 3 pha : 230/400V ± 10% 50Hz
– See more at: http://bomcongnghiep.vn/may-bom-cong-nghiep-ly-tam-truc-ngang-ebara-md-50125_i1138_c188.aspx#sthash.IIlYfYT2.dpuf
-Model : Ebara MD 65-125
-Lưu lượng Max : 120 m3 / giờ
-Cột áp Max : 26,5 mét
-Công suất Max : 7,5 Kw
-Nhiệt độ chất lỏng bơm tối đa : 90 ° C
-Áp lực làm việc tối đa : 10 Bar
-Động cơ 2 cực, lớp cách điện F, lớp bảo vệ IP55
-Điện áp 1 pha : 230V ± 10%, 50Hz
-Điện áp 3 pha : 230/400V ± 10% 50Hz
Máy bơm dùng cho các ứng dụng : Di chuyển nước sạch cho dân , nông nghiệp , công nghiệp sử dụng , áp lực thúc đẩy các đơn vị , hệ thống sưởi và máy điều hòa không khí, nuôi thủy lợi, trung tâm thể thao, nhà máy giặt…
THANH DAT Co.,Ltd phân phối máy bơm Ebara MD 65-125 với giá cạnh tranh nhất trên thị trường.