Bảng thông số kỹ thuật chi tiết của Máy bơm công nghiệp Ebara MD 50-250/22 30HP
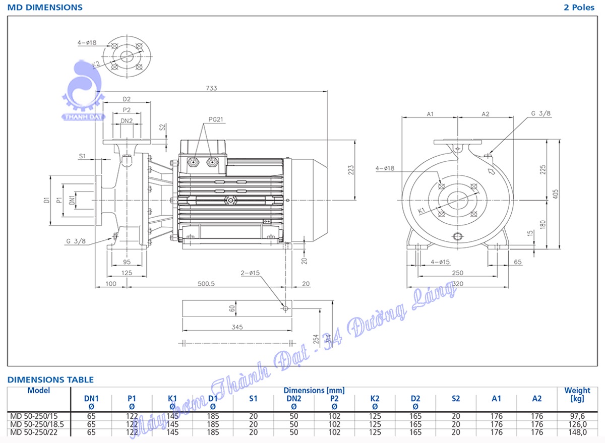
Bảng thông số chi tiết kích thước của Máy bơm công nghiệp Ebara MD 50-250/22 30HP

Biểu đồ thông số chi tiết lưu lượng cột áp của Máy bơm công nghiệp Ebara MD 50-250/22 30HP
