Bảng thông số kỹ thuật chi tiết của bơm chìm Tsurumi KTZ 33.7

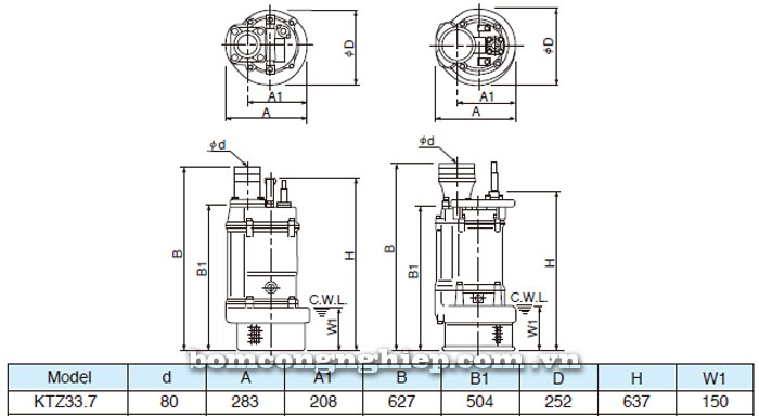
Bảng thông số chi tiết kích thước của bơm chìm Tsurumi KTZ 33.7

Biểu đồ lưu lượng cột áp của bơm chìm Tsurumi KTZ 33.7

Mô tả sản phẩm :
-Lưu lượng: 30 m3/h
-Cột áp: 20 mét
-Vật liệu: Thân bằng gang, cánh bằng gang, trục bằng thép không gỉ,
-Cấp độ bảo vệ: Class F
-Công suất: 3.7KW/380V/50Hz
-Trọng lượng: 62.5 kg
-Cổng xả: 80 mm
-Nhiệt độ chất lỏng bơm :0 – 40°C
Ứng dụng :
– Bơm hệ thống xử lý nước sạch cho các khu công nghiệp và chung cư
– Bơm hệ thống tưới tiêu thủy lợi
– Bơm chìm, bơm chìm khai thác nước ngầm
– Bơm hố móng, bơm cát, bơm bùn tuần hoàn, bơm nước mặn
– Bơm bùn hố móng công trinh, bơm bùn đặc,….
– Bơm thoát nước tầng hầm, bơm bể lắng, bơm hố thu, bơm chìm chống ngập úng trong các tòa nhà, công trình giao thông, hầm mỏ. Bơm nước thải chuồng trại chăn nuôi gia súc .
THANH DAT Co.,Ltd chuyên phân phối máy bơm nước nhập khẩu, máy bơm Pentax, bơm cứu hỏa Tohatsu , bơm bù áp, bơm trục rời , máy bơm chìm nước thải, bơm thả chìm giếng khoan, …đa chủng loại.