Bảng thông số kỹ thuật chi tiết của bơm chìm Tsurumi KTZ 22.2

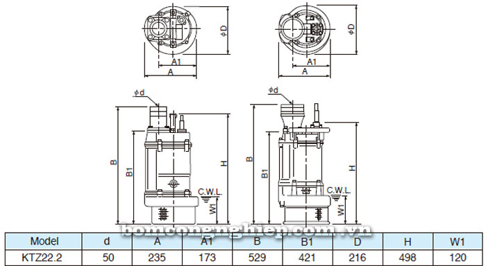
Bảng thông số chi tiết kích thước của bơm chìm Tsurumi KTZ 22.2

Biểu đồ lưu lượng cột áp của bơm chìm Tsurumi KTZ 22.2

Mô tả sản phẩm :
-Sản phẩm : Bơm chìm nước thải Tsurumi KTZ22.2
-Công suất : 2.2Kw/380V
-Lưu lượng :18 m3/h
-Cột áp :20 m
-Đường kính họng xả :50 mm
-Kiểu chất lỏng :Nước mưa, nước ngầm, nước lẫn cát, nước thải công nghiệp, xây dựng, hầm mỏ…
-Nhiệt độ chất lỏng bơm :0 – 40 độ C
-Cấu tạo bơm : Cánh hở đúc bằng sắt crôm, thân bơm bằng gang, lớp cách nhiệt F,
-Cấp độ bảo về : IP 68
-Tốc độ vòng quay : 2900 vòng/ phút
Máy bơm nước THÀNH ĐẠT uy tín, chất lượng cao, giá cả cạnh tranh nhất trên thị trường. LH 0913.98.58.68 để nhận ngay mức giá ưu đãi nhất.